Flip-Flop D Sincrónico Activado por Nivel

El circuito únicamente cambia cuando el pulso del reloj está habilitado. Si no, el circuito mantiene su valor anterior.
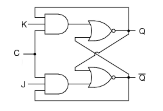
Flip-Flop JK Sincrónico Activado por Nivel

Es un , pero sí , únicamente oscila cuando el reloj está en pulso. Además, no sabemos en qué estado va a terminar luego del pulso
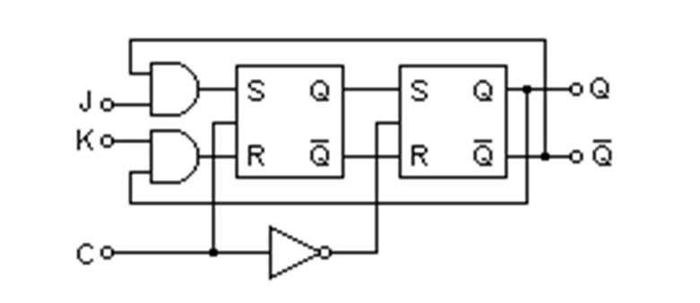
Flip-Flop JK Sincrónico del tipo Maestro-Esclavo

Este circuito es la solución más común a la problemática mencionada anteriormente, si , entonces oscila a una frecuencia determinada, y cambia de estado en el flanco (descendente) del pulso.